NS-102MP 大間距
-
- 產品概述
-
接觸規格
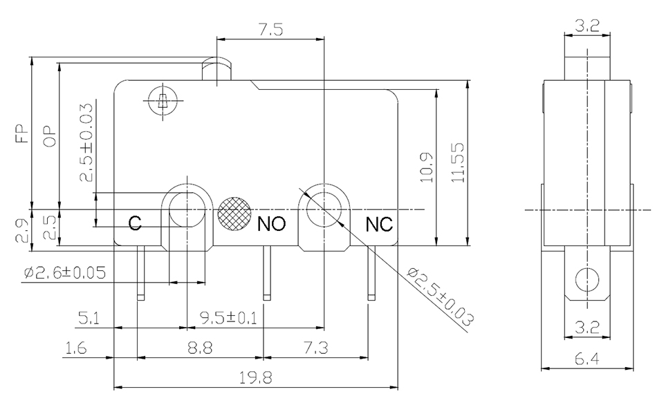
外形尺寸/動作特性
動作特性\型號(hao) NS-102MP NS-52MP 動作力 OF最大 2.2N 回(hui)復(fu)力 RF最小 0.3N 預行程 PT最大 1.0mm 過行程(cheng) OT最小 0.5mm 響應差行程(cheng) MD最(zui)大 0.2mm 自(zi)由位置 FP最大 10.8mm 動作位置 OP 10±0.5mm
Products
動作特性\型號(hao) | NS-102MP | NS-52MP | |
動作力 | OF最大 | 2.2N | |
回(hui)復(fu)力 | RF最小 | 0.3N | |
預行程 | PT最大 | 1.0mm | |
過行程(cheng) | OT最小 | 0.5mm | |
響應差行程(cheng) | MD最(zui)大 | 0.2mm | |
自(zi)由位置 | FP最大 | 10.8mm | |
動作位置 | OP | 10±0.5mm |