產品特點
獨特的磁滅弧設計,具有1500V的高容量切斷功能
獨特的接點結構,具有更更高的耐浪涌性能和電流耐受能力
獨特的抗短路結構,抗短路能力達到6000A以上
高低壓間耐壓4000V以上
負載、線圈連接均無極性
環保產品(符合RoHS)
產品型號說明
主要技術參數
主觸點參數
結構
|
H
|
觸點材料
|
銀銅合金
|
接觸電阻
|
≤0.3mΩ(@250A)
|
接觸壓降
|
/
|
額定負載
|
DC1500V 250A
|
接通電壽命
|
140A/20V, 7.5萬次
|
分斷電壽命
|
250A /750V,500次
|
1800A /500V,1次
|
1500A /750V,1次
|
切換電壽命
|
/
|
短路電流
|
8000A*(5ms),1次
|
額定電流
|
250A
|
最小負載電流
|
6V/1A
|
機械耐久性
|
20萬次(0.5秒通0.5秒斷)
|
輔助觸點參數
結構
|
/
|
接觸電阻
|
/
|
額定負載
|
/
|
切換電壽命
|
/
|
線圈參數
額定電壓(Vd.c.)
|
12
|
24
|
/
|
動作電壓(Vd.c.)
|
≤9
|
≤18
|
/
|
工作電壓(Vd.c.)
|
9~ 16
|
18 ~ 32
|
/
|
釋放電壓(Vd.c.)
|
≥1
|
≥2
|
/
|
線圈電阻(2)(1+ 7%)
|
24
|
96
|
/
|
啟動電流(A)*
|
0.5
|
0.5
|
/
|
啟動時間(ms)
|
/
|
/
|
/
|
額定電流(A)
|
0.5
|
0.5
|
/
|
啟動功耗(W)*
|
6
|
6
|
/
|
穩態功耗(W)
|
6
|
6
|
/
|
注: ★” : 表示為(wei)12V電壓時(shi)
性能參數
絕緣電阻
|
線圈與觸點間
|
1000MΩ以上
|
同極觸點間
|
/
|
主輔觸點間
|
1000MΩ以上
|
耐壓
|
線圈與觸點間
|
AC4000V 1分鐘
|
同極觸點間
|
/
|
主輔觸點間
|
AC4000V 1分鐘
|
耐沖擊電壓
|
線圈和觸點間10 kV(1.2 × 50μs)
|
動作時間
|
30ms以下
|
釋放時間
|
10ms以下
|
吸合回跳
|
5ms以下
|
振動
|
正弦振動
|
10~ 50H雙振幅1.5mm,加速度49 m/s2
|
沖擊
|
穩定性
|
閉合: 588 m/s2,斷開196m/s2
|
強度
|
588m/s2
|
使用環境溫度
|
-40 ~ +85°C (不結冰、無凝露)
|
使用環境濕度
|
5 ~ 85%RH
|
重量
|
12V
|
約365g
|
24V
|
約365g
|
/
|
/
|
注:上述值均為常溫時(shi)的初始值,如有其它要求可特殊(shu)訂貨
安全認證
產品外形、安裝及接線圖
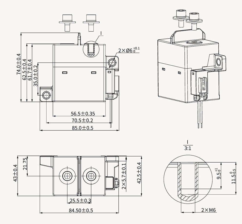
NN82C-250 HC5外形尺寸圖

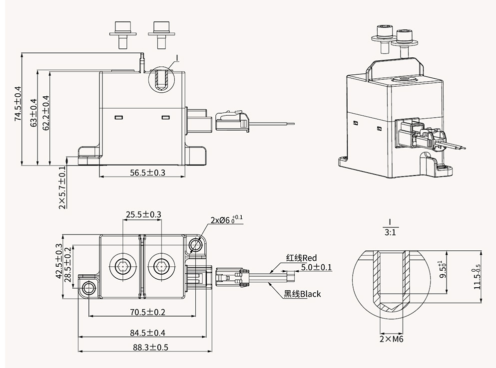
NN82C-250 HCY5外形尺寸圖(tu)
線圈引出形式Coil termination
C:連接器編號-天海:0435317 C:connector-Tianhai;0435317

備注:負載和線圈均無極性