產品特點
環境保護類別:RTII
獨特的磁滅弧設計,具有750V的切斷功能
獨特的接點結構,具有更更高的耐浪涌性能和電流耐受能力
高低壓間耐壓4000V以上
負載、線圈連接均無極性
環保產品(符合RoHS)
產品型號說明
主要技術參數
主觸點參數
結構
|
H
|
觸點材料
|
銀合金
|
接觸電阻
|
≤5mΩ(@1A)
|
接觸壓降
|
/
|
額定負載
|
DC1500V 60A
|
接通電壽(shou)命
|
60A /450V,7萬次
|
60A /750V,5萬次
|
60A /1500V,8000次
|
分斷電壽命
|
60A /1500V,100次
|
600A /450V,1次
|
切換電壽命(ming)
|
60A /450V,5萬次
|
短路電流
|
4000A(5ms),1次
|
額定電流
|
60A
|
最小負載電流
|
6V/1A
|
機械耐久性
|
20萬次(0.5秒通0.5秒斷)
|
輔助觸點參數
結構
|
/
|
接觸電阻
|
/
|
額定負載
|
/
|
切換電壽命
|
/
|
線圈參數
額定電壓(Vd.c.)
|
12
|
24
|
/
|
動作電壓(Vd.c.)
|
≤9
|
≤18
|
/
|
工作電壓(Vd.c.)
|
9~ 16
|
18~32
|
/
|
釋放電壓(Vd.c.)
|
≥1
|
≥2
|
/
|
線圈電阻(2)(1+ 7%)
|
24
|
96
|
/
|
啟動電流(A)*
|
0.5
|
0.5
|
/
|
啟動時間(ms)
|
/
|
/
|
/
|
額定電流(A)
|
0.5
|
0.5
|
/
|
啟動功耗(W)*
|
6
|
6
|
/
|
穩態功耗(W)
|
6
|
6
|
/
|
注: ★” : 表示(shi)為額(e)定(ding)電壓時
性能參數
絕緣電阻
|
線圈與觸點間
|
1000MΩ以上
|
同極觸點間
|
/
|
主輔觸點間
|
1000MΩ以上
|
耐壓
|
線圈與觸點間
|
AC4000V 1分鐘
|
同極觸點間
|
/
|
主輔觸點間
|
AC4000V 1分鐘
|
耐沖擊電壓
|
線圈和觸點間10 kV(1.2 × 50μs)
|
動作時間
|
30ms以下
|
釋放時間
|
10ms以下
|
吸合回跳
|
5ms以下
|
振動
|
正弦振動
|
10 ~ 500Hz 雙振幅1.5mm,加速度49m/s2
|
沖擊
|
穩定性
|
閉合: 588 m/s2,斷開196m/s2
|
強度
|
588m/s2
|
使用環境溫度
|
-40 ~ +70°C (不結冰、無凝露)
|
使用環境濕度
|
5 ~ 85%RH
|
重量
|
12V
|
約160g
|
24V
|
約160g
|
48V
|
/
|
安全認證
注(zhu):上述(shu)值(zhi)均為常溫時(shi)的初始值(zhi),如有其它(ta)要求可特(te)殊訂貨(huo)
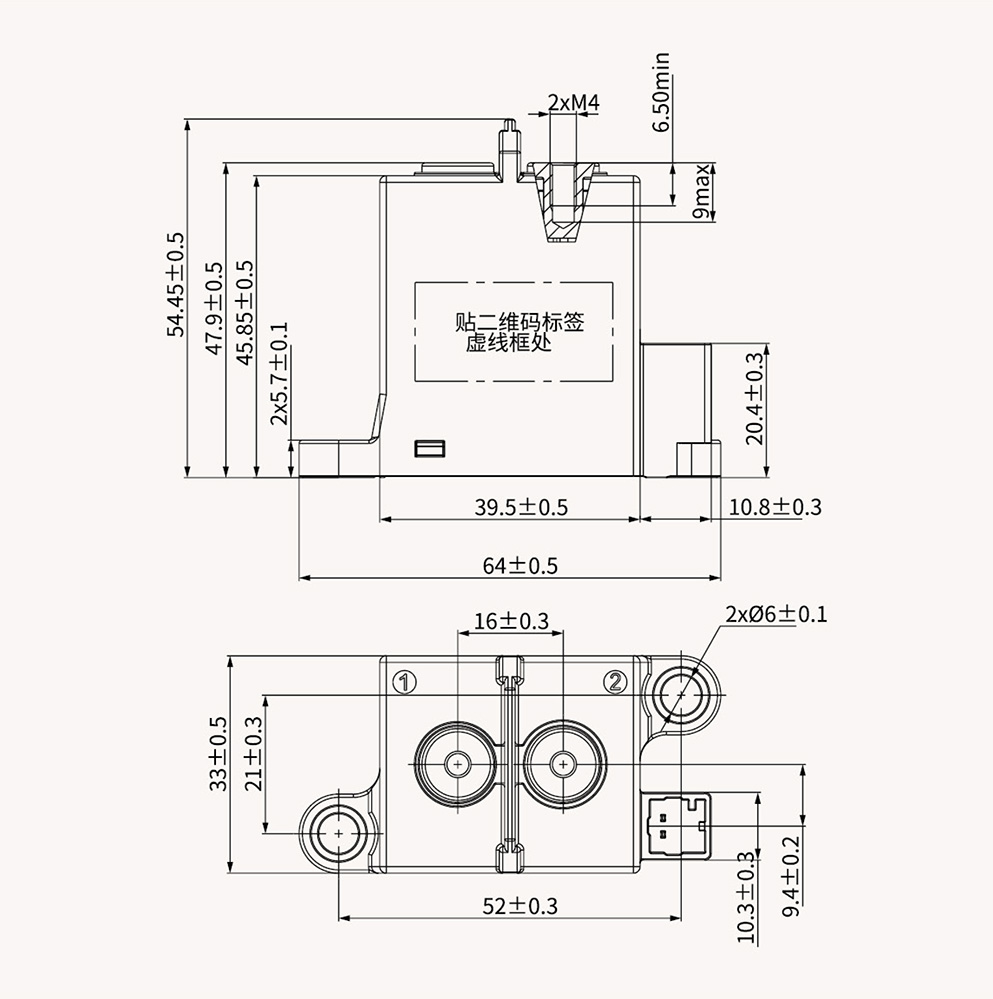
產品外形、安裝及接線圖
NN82A-60 外形尺寸圖
線圈引出形式
C:連接器編號-天海:0484101 C:connector-Tianhai:0130301
/連接器編號-矢崎:7283-5845 C:connector-Yazaki:7116-4231-02

備注:負載和線圈均無極性