NV-21G0-1C26-SZ001
-
- 產品概述
-
接觸規格
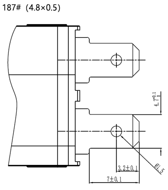
端子尺寸(單位:mm)
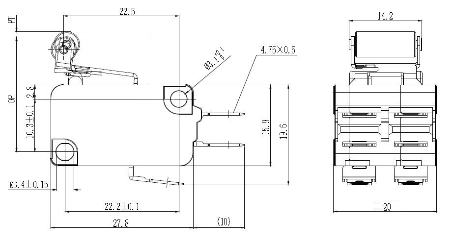
外形尺寸/動作特性
動作特性\型號 NV-21G0-1□6-SZ001 NV-16G0-1□6-SZ001 OF 動作力 最大6.0N RF 釋放力 最小1.2N PT 工作行程 最大2.5mm OT 超越行程 最小0.8mm MD 差動行程 最大0.6mm OP1 動作行程 22.3±0.6mm OP2 動作行程 21.8±0.6mm
Products
動作特性\型號 | NV-21G0-1□6-SZ001 | NV-16G0-1□6-SZ001 | |
OF | 動作力 | 最大6.0N | |
RF | 釋放力 | 最小1.2N | |
PT | 工作行程 | 最大2.5mm | |
OT | 超越行程 | 最小0.8mm | |
MD | 差動行程 | 最大0.6mm | |
OP1 | 動作行程 | 22.3±0.6mm | |
OP2 | 動作行程 | 21.8±0.6mm |