型號說明

① 額定值 :
5: 5(2)A 125/250 VAC
5A 125/250 VAC
10: 10A 125/250 VAC
② 驅動桿 :
無:按鈕型;
Z:擺桿型;
W: R形擺桿型;
G:滾輪擺桿型
③ 動作力(OF)最大:
無:1.1N; F1:1.9N;F2:2.7N;F3:3.6N
④ 接觸種類:
1:雙投型(轉換) ;
2:常閉型(NC);
3:常開型(NO);
⑤ 端子類型:
無:焊接端子
T: #110型端子
D: PCB型端子
D1:左彎PCB型端子
D2:右彎PCB型端子
接觸規格
額定值
型號
|
額定電壓
|
阻性負載
|
NL-10
|
AC125V
|
10A
|
AC250V
|
10A
|
NL-5
|
AC125V
|
5A
|
AC250V
|
5A
|
接點規格
項目
|
型號
|
NL-10
|
NL-5
|
接點
|
規格
|
鉚釘
|
材質
|
銀合金
|
間隔(標準值)
|
0.5mm
|
最小適用負載
|
DC5V 160mA
|
安全認證
認證
|
額定電壓
|
NS-10
|
NS-5
|
CQC(GB15092.1)
|
AC125
|
10A
|
5(2)A
|
AC250V
|
UL(UL 61058,
CSA-C22.2 NO.61058-1)
|
AC125
|
10A
|
5(2)A
|
AC250V
|
ENEC(EN 61058-1)
|
AC125
|
-
|
5A
|
AC250V
|
10A
|
DC30V
|
-
|
性能
項目
|
規格
|
容許操作速度
|
0.1mm-1m/s
|
絕緣電阻
|
100MΩ以上
|
接觸電阻(初始值)
|
50MΩ以下
|
耐壓
|
同極端子間
|
AC1000V 50/60Hz 1min
|
各端子與接地(塑料)間
|
AC1500V 50/60Hz 1min
|
各端子與非充電金屬間
|
AC1500V 50/60Hz 1min
|
壽命
|
機械
|
100萬次
|
電氣
|
5A 5萬次
|
10A 1萬次
|
防護等級
|
IEC IP40
|
觸電保護級
|
CLASS I
|
PTI(漏電特性)
|
175
|
使用環境溫度濕度
|
-25°C~+125°C 60%RH以下
(不結冰無凝露)
|
負載分類開關能力(參考值)
項目
|
非感性負載
|
感性負載
|
阻性負載
|
點燈負載
|
感性負載
|
電動機負載
|
電壓
|
常閉
|
常開
|
常閉
|
常開
|
常閉
|
常開
|
常閉
|
常開
|
AC125V
|
5A(10A)
|
1.5A
|
0.7A
|
3A
|
2.5A
|
1.3A
|
AC250V
|
3A(10A)
|
1A
|
0.5A
|
2A
|
1.5A
|
0.8A
|
DC8V
|
5A(10A)
|
2A
|
5A
|
4A
|
3A
|
14V
|
5A(10A)
|
2A
|
4A
|
4A
|
3A
|
30V
|
4A
|
2A
|
3A
|
3A
|
3A
|
125V
|
0.4A
|
0.05A
|
0.4A
|
0.4A
|
0.05A
|
250V
|
0.2A
|
0.03A
|
0.2A
|
0.2A
|
0.03A
|
注1 :感性負載指功率因數0.4以(交流) ,時常數7ms以下的(直
流)負載。
注2 :電燈負載指的是有10倍的浪涌電流的負載。
注3 :電動機負載指的是有6倍的浪涌電流的負載。
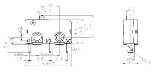
外形尺寸/動作特性
動作特性\型號
|
NL-10
NL-5
|
NL-10-F1
NL-5-F1
|
NL-10-F2
NL-5-F2
|
NL-10-F3
NL-5-F3
|
動作力
|
OF最大
|
0.8±0.3
|
1.5±0.4
|
2.3±0.4
|
3.2±0.5
|
回復力
|
RF最小
|
0.15N
|
0.35N
|
0.55N
|
0.55N
|
過行程
|
PT最大
|
0.6mm
|
響應差的行程
|
OT最小
|
0.5mm
|
自由位置
|
MD最大
|
0.2mm
|
動作位置
|
OP
|
8.55±0.2mm
|
使用方法
① 關于安裝:
開關的安裝,拆卸和配線作業以及維護檢查時,請務必斷開電源
。否則會引|起觸電和燒損。
開關安裝時使用M2.3-M2.5螺釘,使用平墊圈,彈性墊圈來緊固。此時
請使用0.23-0.26N.m的緊固轉矩安裝。
開關請安裝在平面上。如果安裝面凹凸不平,可能導致開關歪斜
動作失常和外殼破損。
安裝孔加工尺寸:
② 關于操作形程的設定:
針狀按鈕規格場合, 請注意操作行程的設定。按下量過多則
壽命縮短。請以過行程(OT)規格值的70%-100%為標準設定。
③ 關于絕緣距離
根據EN61058-1 ,該開關的最小絕緣層厚度應該為1.1mm,端子和安裝板之間的最小空間距離應該為1.6mm。
如果無法確保零部件所要求的絕緣距離,請使用帶絕緣護罩的開關或者使用隔板來確保絕緣距離。
注意事項
①將導線焊接到端子_上時,請先將導體穿過端子孔后再進行操作。
②PMC材料的容量應為60W以下,時間在5S以內。PBT材料的容量應為60W以下,時間在3S以內。如果操作溫度過高或者時
間過長,可能導致開關特性劣化。
③請盡量少用焊錫,如果焊錫進入開關內部,可能會導致接觸障礙。
④如果將印刷基板用端子在焊接槽中進行焊接,焊錫可能進入開關內部導致接觸不良,因此請采用手工焊接。
⑤與接線片端子的連接使用110#接線片插套,將其垂直插入端子,如果在端子的橫向施加過大的外力,可能弓|起端子的變形
和外殼的破損。